Using Integrated Sensors to Simultaneously Detect Multiple Parameters
Electronic Products の提供
2012-07-26
The sensors located in the tips of our fingers are not only touching receptors, they are all-in-one pressure sensors, shape sensors, temperature sensors, and liquid-viscosity sensors as well. They simultaneously transform mechanical and thermal information into electrical signals sent to our brain, which provides feedback information through pattern recognition procedures. With the increased performance and availability of multiple electronic sensors integrated on a single sensor module and the ability to combine their outputs, designers are creating systems that, on a lesser scale but not unlike our fingers and brain, can make high-level inferences about a wide variety of environmental conditions. In this article, we look at new integrated, multifunction sensor modules and the intelligent sensor applications these devices make possible.
Smarter navigation systems
First, consider electronic navigation systems. We are rapidly becoming accustomed to having portable electronics that, on demand, can tell us where we are. When traveling by car to a new or unfamiliar place, most drivers will now rely upon a GPS navigation system or cell-phone app to get them where they want to go.
These systems work well, but those of us who have used them often know there’s room for improvement. There are times when the navigation system seems to get confused about which level of a tiered highway we are on, or the system loses location when it is unable to obtain a GPS signal for any length of time, for instance, when traveling through a tunnel.
It is possible to overcome these problems by using the inputs from several sensors simultaneously to obtain accurate position information without an external signal. Rather than rely on a single type of sensor, say an accelerometer, inputs from multiple sensors or from a single, multifunctional sensor module can be combined algorithmically to produce reliable position data.
For a consumer navigational system, the first requirement is to provide the needed sensing capability at a reasonable cost. Fortunately, designers today have many inexpensive sensors from which to choose when designing such a system. For instance, there are many cost-effective accelerometers currently available. (For more information, see the TechZone article “Advances in Accelerometers Broaden User Choices".)
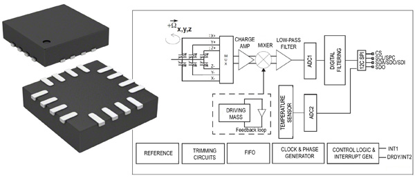
Combining the output of accelerometers with that of a magnetometer forms a so-called digital compass, which provides more accurate geographical position data. A recent example of the trend to integrate such sensors is the LSM303DLM sensor module from STMicroelectronics. The 5 x 5 x 1 mm module combines a three-axis accelerometer and three-axis magnetometer, which are manufactured using specialized micromachining (MEMS) processes, with a separate CMOS chip that provides the interfaces between the modules and the host system (Figure 1). This design approach provides a dedicated interface circuit that is trimmed to better match the sensing element characteristics.

Figure 1: The LSM303DLM module combines a three-axis accelerometer and three-axis magnetometer with a separate CMOS chip that provides the interfaces between the modules and the host system (Courtesy of STMicroelectronics).
The sensor has full-scale linear acceleration ranges of ±2, ±4, and ±8 g and magnetic field ranges of ±1.3, ±1.9, ±2.5, ±4.0, ±4.7, ±5.6, and ±8.1 gauss, any of which are selectable by the user. Accelerometer and magnetic sensing functions can be enabled or put into power-down mode separately. The flexibility in ranges and sensor selection mean that the chip can be used to implement other functionality in a hand-held device when it is not being used for navigation. (To simplify application development, STMicro also provides an evaluation board, part number STEVAL-MKI113V1.)
Available in a plastic, land-grid-array (LGA) package and guaranteed to operate over a temperature range of -40° to 85°C, the sensor has an I2C serial bus interface that supports both standard (100 kHz) and fast (400 kHz) modes.
Having an I2C serial bus is important, because it makes it simple to integrate multiple sensors in the same system. For example, to further increase accuracy of location determination, the LSM303DLM sensor module can be combined with STMicro’s L3GD20 module, a low-power, three-axis, angular rate sensor, or gyroscope (Figure 2).

Figure 2: Like the LSM303DLM, the L3GD20 three-axis, angular rate sensor includes a MEMS sensing element and a separate interface IC (Courtesy of STMicroelectronics).
Like the LSM303DLM, the gyro module includes a MEMS sensing element and a separate interface IC that can provide the measured angular rate to a host system. The 4 x 4 x 1 mm L3GD20 has user-selectable full-scale ranges of ±250, ±500, and ±2,000 dps and is also available in a plastic LGA package with an operating temperature range of -40° to 85°C. (An evaluation board designated STEVAL-MKI119V1 is also available.)
A less obvious sensor that might be added to the mix is the BMP085 barometric pressure sensor from Bosch Sensortec. In this case, the pressure sensor would be used to measure a relative change in pressure over a short period of time to indicate a change in altitude, thereby fully positioning the handheld device in three-dimensional space.
Designed for use in advance mobile applications, the 5 x 5 x 1 mm BMP085 (Figure 3) has absolute accuracy of 2.5 hectopascals (hPa) and a noise level down to 0.03 hPa, which is equivalent to an altitude change of 0.25 m. It is based on piezoresistive MEMS technology for EMC robustness, high accuracy, linearity, and long-term stability. The sensor comes in an 8-pin ceramic leadless chip carrier (LCC) package and, like the other sensors, has an I2C bus and an evaluation board (BMP085-SHUTL) to facilitate integration into a mobile system.

Figure 3: The BMP085 barometric pressure sensor can be used to provide altitude information.
Combined with data from other sensors, it allows designers of handheld devices to provide full position information in three-dimensional space (Courtesy of Bosch Sensortec).
Mission-critical applications
All the aforementioned sensors share common features – low cost, low power consumption, ruggedness, reasonable accuracy, and small size – that suit them well to mobile consumer applications. However, there are some applications that require much higher performance and reliability from sensors. For example, first responders and firefighters must know precisely where they are in a structure to avoid danger and communicate and coordinate with other members of their team.
For such mission-critical applications, there are sensor systems available today that provide fully integrated multi-sensor data for precise positioning. For example, the ADIS16407 iSensor device (Figure 4) from Analog Devices is a complete, 10-degrees-of-freedom inertial system that includes a three-axis gyroscope, a three-axis accelerometer, a three-axis magnetometer, and pressure sensors. Like the previous sensors, each of the ADIS16407’s sensor systems combines MEMS technology with signal conditioning to optimize dynamic performance.

Figure 4: ADIS16407 iSensor device is a complete, ten-degrees-of-freedom inertial system that includes a three-axis gyroscope, a three-axis accelerometer, a three-axis magnetometer, and pressure sensors (Courtesy of Analog Devices).
In the factory, the sensors are calibrated for sensitivity, bias, alignment, and linear acceleration (gyro bias). As a result, each sensor has its own dynamic compensation formulas that provide highly accurate sensor measurements. Further, this greatly reduces the time needed to integrate the sensors into a complete system. Tight orthogonal alignment simplifies inertial frame alignment in navigation systems. The SPI and register structure provide a simple interface for data collection and configuration control.
The system is packaged in a module that is approximately 23 × 23 × 23 mm and has a standard connector interface. An evaluation board (ADIS16407/PCBZ) is also available. While the cost of the module is significantly greater than the cost of the sensors previously mentioned, and its size would not allow it to be incorporated in a smartphone-sized portable device as the others can be, it provides out-of-the-box performance that they cannot match.
Similarly, STMicroelectronics’ iNEMO V2 (eval kit STEVAL-MKI062V2) – the second version of ST’s inertial module (Figure 5) – combines accelerometers, gyroscopes and magnetometers with pressure and temperature sensors. The system provides three-axis sensing of linear, angular, and magnetic motion, complemented with temperature and barometer/altitude readings, representing a 10-degree-of-freedom platform.

New high-performance, multi-sensor modules can provide data that can be used to track location or enable advanced motion-sensing applications in mobile phones, game controls, remote controls, black-box recorders, and enhanced GPS systems. Additional applications include industrial systems, robotics, automotive and aerospace measurements, and to provide accurate indoor positioning, one of the key technologies of the future for location-based services. For more information on the products mentioned in this article, use the links provided to access product pages on the Dig-Key website.
免責条項:このウェブサイト上で、さまざまな著者および/またはフォーラム参加者によって表明された意見、信念や視点は、DigiKeyの意見、信念および視点またはDigiKeyの公式な方針を必ずしも反映するものではありません。


