Driving High-Current LEDs
2016-02-10 | By Dave Knight
LEDs / Discrete / Modules LED / Display Drivers
High-power LEDs produce more lumens per watt than previous lighting technology and are replacing incandescent and CFL light bulbs. When driving high-power LEDs, the power dissipation in a current limiting resistor can make the approach impractical and unattractive. When driving an ultra-efficient lighting source, it is desirable to use a very efficient method. The most efficient way to drive high-current LEDs is to use a DC-DC converter with current feedback.
Commonalities among switching LED drivers
DC-DC converters are efficient power-conversion circuits that use passive, low-pass LC filters to smooth out switching action into constant voltages. There are switching LED drivers that produce a constant current to bias an LED. Typically, this is done by measuring the voltage across a small ohmic current sensing resistor in series with an LED or string of LEDs. Although there are DC-DC converters designed for LED drivers, many regular DC-DC converter controllers can be used to design LED drivers by using a current sense resistor in the feedback instead of a voltage divider.
Buck converter
A buck converter is a DC-DC converter that can efficiently produce an output voltage that is lower than an input voltage. Energy conversion efficiency can be higher than 90%, depending on the components used and the power level. Buck converters are handy for driving LEDs from a voltage source that is higher than the LED forward drop, such as a bench supply,12 V battery, or a lithium-ion battery pack where multiple cells are in series.
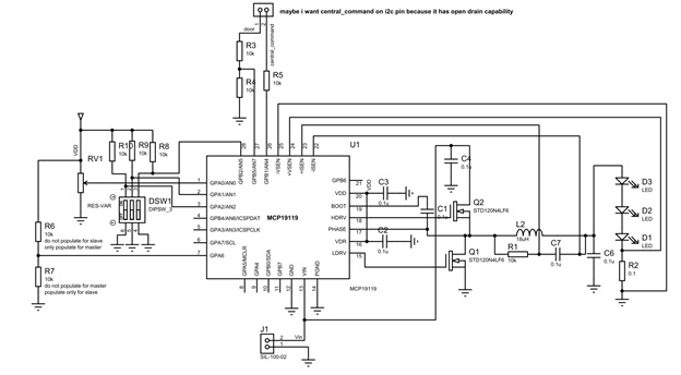
The MCP19119 is not a dedicated LED driver. Rather it is a buck controller that can be used to drive LEDs. Figure 1 demonstrates how the MCP19119, a hybrid microcontroller and buck controller, can be used to bias three LEDs.
The feedback loop of the MCP19119 will control power conversion to maintain whatever voltage is necessary across the current sense resistor to maintain the desired current. The MCP19119 has the added benefit of containing an 8-bit microcontroller with I2C, SPI, ADC, and in-circuit programming. Also, most of the power conversion parameters often set by external resistors and capacitors—such as switching frequency—are set in software, requiring only bypass capacitors, power MOSFETs, an inductor, filter capacitor, and current sense resistor to complete the solution.
Figure 1: MCP19119 used as a current source to bias LEDs
The LT3474 is a step-down buck converter designed to operate as a constant current source. It operates over a wide range, 4 V to 36 V, making it suitable for USB inputs. Current is controllable via the VADJ pin. The typical application schematic is shown in figure 2.
Figure 2: LT3474 Step-Down LED Driver
Another great buck converter that drives LED is ST Micro’s LED2001 chip. It requires only a few passive components, which can be chosen very quickly using ST Micro’s online power management design tool.
Figure 3: LED2001 typical application schematic
Buck-boost
Sometimes we want to drive an LED from a battery for applications such as flashlights or battery packs with an LED. A lithium-ion cell’s voltage will vary between 2.5 V and 4.2 V, depending on the state of charge and load. With LED forward voltages being in the range of 2–3 V, there exists a possibility that a lithium-ion cell won’t be able to drive the LED when it’s almost empty. This reduces the effective battery life of the LED lighting application.
A good circuit to drive an LED from a lithium-ion cell is a buck-boost. A buck-boost is a DC-DC converter that can produce an output voltage that is higher or lower than the input voltage. Typically, efficiency is good, but not as high as with a buck converter or a boost converter. In figures 4 and 5 below, we see application schematics for the NCP5030 and LTC3454 synchronous buck-boost controllers. Both are capable of driving an LED from a single cell. The NCP5030 will drive up to 900 mA. The NCP5030 operates at 700 kHz, allowing the system designer to use small, passive components. The LTC3454 drives up to 1A output current. The LTC3454 switches at 1 MHz, allowing the design to use small, passive components. Both ICs require the addition of a few passive components to form a complete LED driver solution.
Figure 4: NCP5030 typical application schematic
Figure 5: LTC3454 typical application schematic
Boost converter
A boost converter is a DC-DC converter that produces an output voltage that is higher than the input voltage. A boost converter is useful when it is known that the load voltage will always be higher than the input voltage. An application where this is useful is driving LEDs in series from a low-voltage source.
The LT3478-1 boost converter provides a regulated, dimmable current to a string of LEDs. It works off a wide-input voltage range of 2.8 V to 36 V, allowing it to work from a USB or single-cell lithium battery.Figure 6: Application schematic for LT3478-1
Practical considerations
LEDs get hot when conducting a large current. The heat dissipated in the LED is P=VF*I. Surround the LED with a copper fill, or put the LED on a heatsink to reduce the temperature rise.
Conclusion
This article has introduced basic concepts of biasing high-current LEDs, covered commonalities of switching LED drivers, and discussed practical buck, buck-boost, and boost circuits for implementing high-current LED drivers.