ブラシレスDCモータ制御の概要
Electronic Products の提供
2013-03-27
ブラシレスDC(BLDC)モータは、自動車(特に電気自動車(EV))、HVAC、大型家電製品や産業用などの部門でますます人気になっています。これは、従来のモータで使用されている機械的整流子を排除し、それを、そのユニットの信頼性や耐久性を向上する電子デバイスで置き換えるためです。
BLDCモータのもう1つの利点として、それが、同じ電力出力を備えたブラシタイプよりも小さく、軽量で作成できることがあり、この利点により、BLDCモータは、スペースが狭いアプリケーションに好適です。
その不都合な点は、BLDCモータは電子的管理を行う必要があることです。 たとえば、ローターの位置を示すセンサからの入力を使用するマイクロコントローラは、正しい瞬間でステータコイルを励磁するために使用される必要があります。 高精度のタイミングにより、正確な速度およびトルク制御が可能になるとともに、ピーク効率でモータが実行されることが確保されます。
この記事では、BLDCモータ動作の基礎や、3相ユニットの動作用の一般的な制御回路について説明します。 この記事ではまた、設計者が回路設計を容易にするために選択できる、BLDCモータ制御向けに特に設計された統合型モジュールのいくつかについて考察します。
ブラシレス動作の利点
従来のモータのブラシは、ローター巻線に電力を送信し、ローター巻線は、励磁される時に、固定磁界で回転します。 静止ブラシと、回転ローターでの回転金属コンタクト間の摩擦により、摩耗が発生します。 さらに、ブラシと金属間の接触不良およびアーキングにより、電力が失われる可能性があります。
BLDCモータは、ブラシなしで済み、代わりに「電子整流子」を採用しているため、このモータの信頼性および効率は、この摩耗や電力損失の源を排除することによって向上します。 加えて、BLDCモータは、ブラシ付きDCモータや誘導モータを凌ぐ多くの他の利点を誇っています。これらの利点には、より優れた速度対トルク特性、より高速のダイナミック応答、ノイズレス動作、そしてより高速範囲があります。1
さらに、モータのサイズに対して適用されるトルク比はより高いため、高電力が必要で、かつ小型性と軽量性が重要な要素となる洗濯機やEVに適した選択肢となります。 (ただし、ブラシタイプのDCモータは、より高い始動トルクを有していることを述べる必要があります。)
BLDCモータは、ステータにより生成される磁界およびローターが同じ周波数で回転するため、「同期」タイプとして知られています。 この配置の1つの利点として、BLDCモータには、誘導モータに一般的な「スリップ」がないことがあります。
モータには、1、2、または3相タイプがある可能性があります。一方で、3相タイプが最も一般的なタイプであり、ここで取り上げるバージョンです。
BLDCモータのステータは、内周に沿って偶数の巻線に適合するために軸方向にスロットが付けられた鋼のラミネーションから構成されます(図1)。 BLDCモータステータは、誘導モータのステータと類似している一方で、巻線分布は異なります。

ローターは、2つから8つまでのN-S極ペアを備えた永久磁石から構築されています。 磁石のペアが多いほど、トルクが増大し、いわゆるトルクリップルを平滑化して、モータからの電力供給を均一化します。 その不都合な点は、より複雑な制御システム、コストの増加、最大速度の低減です。
従来は、永久磁石を作るためにフェライト磁石が使用されていましたが、現代のユニットは、レアアース磁石を使用する傾向があります。 これらの磁石はより高価である一方で、フラックス密度がより高いため、特定のトルクに対してローターを小さくすることが可能です。 これらの強力な磁石は、同じサイズのブラシタイプのDCモータよりも高い電力をBLDCモータが供給する主要な理由です。
BLDCモータの構造や動作に関する詳細情報は、Microchip Technologyが公開した興味深いアプリケーションノート(AN885)でご覧いただけます。2
動作の基礎
BLDCモータの電子整流子は、回転電界とともにローターを「ドラッグする」回転電界を生成するステータコイルを連続的に励磁します。 Nの「電気回転」は1機械回転に等しくなります。ここで、Nは磁石ペアの数を表しています。
3相モータの場合、正しい時間かつ正しいシーケンスで巻線を励磁できるように、コントローラに対するステータおよびローターの相対位置を示すために3つのホール効果センサが組み込まれています。 ホールセンサは通常、ユニットの非駆動側に実装されます(図2)。

ローター磁極がホールセンサを通過すると、(1極で)高信号または(反対極で)低信号が生成されます。 下記で詳しく述べるように、転流の正確なシーケンスは、3つのセンサからの信号を結合することで決定できます。
すべての電気モータは、関連する磁界を通した巻線の動きにより電圧電位を生成します。 この電位は、起電力(EMF)として知られ、レンツの法則によれば、この電位が、磁束での元の変化に反対する磁界とともに巻線での電流を引き起こします。 簡単に言えば、これは、EMFがモータの回転に抵抗する傾向があることを意味するため、「バック」EMF(逆起電力)と呼ばれています。 固定磁束および巻線数の特定のモータの場合、EMFはローターの角速度に比例します。
ただし、バックEMFは、いくらかの「ドラッグ」をモータに加えながら、利点のために使用することができます。 バックEMFを監視することで、マイクロコントローラは、ホール効果センサを必要とせずに、ステータおよびローターの相対位置を決定できます。 これにより、モータ構造が簡素化され、そのコストが低減されるとともに、センサのサポートに必要とされるモータへの追加の配線や接続が不要になります。 これにより、汚れおよび湿度が存在する時でも信頼性が向上します。
しかし、静止モータはバックEMFを生成しないため、起動時にモータ部分の位置をマイクロコントローラが決定できなくなります。 その解決策は、マイクロコントローラがモータの管理を引き継ぐのに十分なEMFが生成されるまで、開ループ構成でモータを開始することです。 これらのいわゆる「センサレス」BLDCモータは、人気を集めています。
BLDCモータの制御
BLDCモータは機械的に比較的シンプルである一方で、高度な制御エレクトロニクスおよび安定化電源が必要です。 その設計者は、効率的な実行のために高精度の制御が求められる、3相高電力システムに対処するという課題に直面しています。
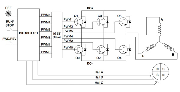
図3は、ホール効果センサを備えたBLDCモータ駆動の一般的な配置を示しています。 (バックEMF測定を使用したセンサレスBLDCモータの制御は、今後の記事で取り扱います。) このシステムは、「Y」フォーメーションで配置された3つのコイル、MicrochipのPIC18F2431マイクロコントローラ、絶縁ゲートバイポーラトランジスタ(IGBT)ドライバ、および6つのIGBTから構成される3相インバータを示しています(金属酸化膜半導体電界効果トランジスタ(MOSFET)はまた、高電力スイッチングのために使用できます)。 (IGBTドライバによって反映される)マイクロコントローラからの出力は、コイルに対する平均電圧および平均電流(したがってモータ速度およびトルク)を決定するパルス幅変調から構成されます。 モータは、ローターの位置を示すために、3つのホール効果センサ(A、B、およびC)を使用します。 ローター自身は、磁束を生成するために、永久磁石の2つのペアを使用します。

このシステムは、各電気回転用の6ステップの転流シーケンスを採用しています。 モータは磁石の2つのペアを備えているため、モータを1回回転させるのに、2回の電気回転が必要です。
図4は、モータに対するコイルの配置が図3と同じ配置での各6ステップにおける電流の流れ(今回は、U、V、およびWと表示)を、図5は、それに続くホール効果センサ出力およびコイル電圧を示しています。


ホール効果センサの1つのペアは、マイクロコントローラがコイルを励磁するタイミングを決定します。 この例では、センサH1およびH2がコイルUのスイッチングを決定します。H2がN磁極を検出すると、コイルUは正に励磁されます。H1がN磁極を検出すると、コイルUがオープンに切り替わります。H2がS磁極を検出すると、コイルUが負に切り替わり、そして最後に、H1がS磁極を検出すると、コイルUが再びオープンに切り替わります。 同様に、センサH2およびH3は、H1およびH3がコイルWの励磁を決定する中で、コイルVの励磁を決定します。
各ステップで、2相がオン状態であり、そのうちの1相は電流をモータに供給し、もう1相は電流リターンパスを提供します。 残りの1相はオープン状態です。 マイクロコントローラは、2つのアクティブコイルを正または負に励磁するために、3相インバータでのどの2つのスイッチがクローズされる必要があるかを制御します。 たとえば、図3のQ1をスイッチングすると、コイルAが正に励磁され、Q2をスイッチングすると、コイルBが負に励磁されて、リターンパスが提供されます。 コイルCはオープン状態を維持します。
設計者は、フルサイズのモータ設計を行う前に、8ビットマイクロコントローラベースの開発キットで実験をして、制御体系を試すことができます。 たとえば、Atmelは、ATxmega128A1 8ビットマイクロコントローラをベースとしたBLDCモータ制御向けの低コストのスターターキットであるATAVRMC323を製造しました。4 他の複数のベンダーは同様のキットを提供しています。
BLDCモータの駆動
3相インバータを加えた8ビットマイクロコントローラは有効な開始点である一方で、完全なBLDCモータ制御システムには十分ではありません。 この作業を完成させるには、IGBTまたはMOSFET(図3で示す「IGBTドライバ」)を駆動する安定化電源が必要です。 幸いなことに、複数の主要な半導体ベンダーが、この作業向けの統合型ドライバチップを特別に設計しているため、この作業はより容易です。
これらのデバイスは一般的に、(マイクロコントローラに給電し、その他のシステム電力要件を満たすための)降圧(「バック」)コンバータ、ゲートドライバ制御およびフォールト処理、加えていくつかのタイミングおよび制御論理から構成されます。 Texas InstrumentsのDRV83013相プリドライバは、その好例です(図6)。

このプリドライバは、最大2.3Aのシンクおよび最大1.7Aのソースピーク電流能力をサポートし、8~60Vの入力電圧を備えた単一電源を必要とします。このデバイスは、ハイサイドまたはローサイドIGBTまたはMOSFETがスイッチングしている時、自動ハンドシェーク方式を使用し、電流貫通を防止します。
ON Semiconductorは、類似したチップであるLB11696Vを提供します。 この場合、望ましい出力電力(電圧および電流)を備えたモータドライバ回路は、ディスクリートトランジスタを出力回路に追加することで、実装することができます。 このチップはまた、保護回路を十分に補完するため、高信頼性を示す必要があるアプリケーションに好適です。 このデバイスは、エアコンやオンデマンド給湯器などで使用されている、大きなBLDCモータ向けに設計されています。
要約
BLDCモータは、従来のモータを凌ぐ多くの利点を提供します。 モータからブラシを取り除くことで、効率を低減し、摩耗するか、または壊滅的な障害が発生し得る機械的部分が不要になります。 加えて、強力なレアアース磁石の開発により、より小さなスペースに適合しながら、ブラシタイプのモータと同じ電力を生成できるBLDCモータの製造が可能になりました。
1つ考えられる短所として、BLDCモータは、ブラシタイプと異なり、コイルの励磁シーケンスを管理し、他の制御機能を提供する電子システムを必要とすることがあります。 こうした電子機器がなければ、モータは動作できません。
ただし、モータ制御向けに特に設計された低コストの堅牢な電子デバイスの急増は、回路設計が比較的簡単でかつ低コストで済むことを意味します。 実際に、3相正弦波または矩形波発生器を採用することで、BLDCモータは、マイクロコントローラを使用しなくても、基本的構成で実行するように設定可能です。Fairchild Semiconductorは、その1例として、このアプリケーション向けのFCM8201チップを提供しており、その設定方法に関するアプリケーションノートを公開しました。5
同様に、ON SemiconductorのMC33033 BLDCモータコントローラは、ローター位置デコーダをチップに統合しているため、システムを完成させる上でマイクロコントローラが不要となります。 このデバイスは、3相または4相BLDCモータの制御に使用することができます。
ただし、(工場で提供されたコードまたは開発者独自のソフトウェアでプログラムされた)8ビットマイクロコントローラを採用すると、制御システムに追加する上でのコストはほんのわずかですが、より高精度な位置、速度、またはトルク出力が提供されるとともに、ユーザーは、最適な効率でのモータの実行を確保するために、モータに対する格段に優れた制御を行うことができます。
リファレンス:
- 「ブラシレスDCモータ入門」、Muhammad Mubeen、2008年7月。
- 「ブラシレスDC(BLDC)モータの基礎」、Padmaraja Yedamale、Microchip TechnologyのアプリケーションノートAN885、2003年。
- 「センサレスBLDCモータ制御のためのPIC18F2431の使用」、Padmaraja Yedamale、Microchip TechnologyのアプリケーションノートAN970、2005年。
- 「AVR1607:ATxmega128A1およびATAVRMC323を使用したセンサモードでのブラシレスDCモータ(BLDC)制御」、Atmelのアプリケーションノート、2010年。
- 「FCM8201 3相正弦波BLDCモータコントローラ」、Fairchild SemiconductorのアプリケーションノートAN-8201、2011年。
免責条項:このウェブサイト上で、さまざまな著者および/またはフォーラム参加者によって表明された意見、信念や視点は、DigiKeyの意見、信念および視点またはDigiKeyの公式な方針を必ずしも反映するものではありません。