MAX77752マルチチャンネル電源管理ソリューション
Analog Devicesのマルチチャンネルの高度に統合された電源管理ソリューションは、高性能電源管理部品の組み合わせを提供
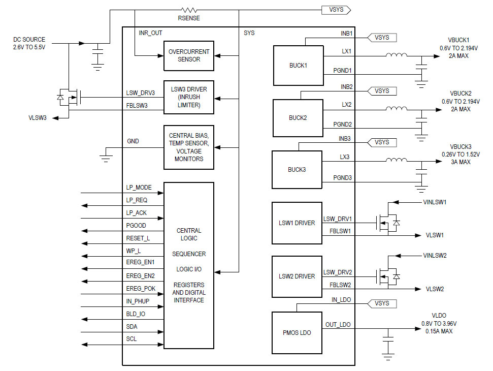
Analog DevicesのMAX77752は、3つの降圧コンバータ、2つの外付けレギュレータイネーブル出力、2つの専用負荷スイッチコントローラ、低ドロップアウトリニアレギュレータ、およびOTPを使用した3次負荷スイッチコントローラとして設定可能な突入電流リミッタを備えた高集積電源管理ソリューションです。このソリューションは、高性能電源管理コンポーネント、高精度モニタリング、カスタマイズされたトップレベルコントローラの組み合わせを提供し、効率的でサイズが最適化された5mm x 5mm x 0.8mmのソリューションを実現します。
| 用途 | ||
|
|
MAX77752 Multichannel Power Management Solution
| 画像 | メーカー品番 | 商品概要 | 入手可能な数量 | 料金 | 詳細を表示 | |
|---|---|---|---|---|---|---|
![]() | ![]() | MAX77752AETL+ | IC REG PWR MGMT 6OUT 40TQFN | 0 - 即時 | $329.24 | 詳細を表示 |
![]() | ![]() | MAX77752EVKIT# | EVAL BOARD FOR MAX77752 | 0 - 即時 | $22,963.00 | 詳細を表示 |


