環境発電でIoTセンサノードの電池寿命を延長
DigiKeyのヨーロッパ担当編集者の提供
2015-12-01
遠隔地からデータをキャプチャできるためには、モノのインターネット(IoT)向けに開発されたセンサノードは、1回の電池充電で可能な限り長く動作できる必要があります。 理想的な世界には電池が全くないでしょう。これは、電池によりシステム管理が非常に複雑になり、到達するのに困難で高価な場所に、トラックでのロールアウトが求められるためです。
その代わりに、システムは、太陽光発電、RFエネルギー、圧力、および熱、空気または流体移動を通して環境からエネルギーをキャプチャします。 たとえば、水流量メータは、原理的には、測定するように設計された媒体からキャプチャされたエネルギーから持ちこたえることができます。 ウォールマウントセンサは、表面に降り注ぐ光からエネルギーを採取することができます。
実際には、電子センサシステムのエネルギー効率は非常に低いため、環境エネルギーのキャプチャだけに頼ることはできません。 しかし、可能な限り多くの環境エネルギーを使用することで、長寿命の電池で充電を間に合わせることはできます。ただし、これにより、システム設計が複雑になります。
1つの主要な問題として、電力のキャプチャが困難なことがあります。これは、結果として非常に低い電圧となるか、困難な位相の問題で高電圧となるためです。 その結果、入力に対処するのに専門的な手法が必要とされます。これらの手法の中には、多くの環境発電用モジュールがシステムに対して示す、低電圧の高インピーダンスソースを処理できるブーストコンバータの提供が含まれます。 さらに、ブーストコンバータなどの回路は、無線通信を妨害する可能性がある高周波数ノイズをもたらす可能性があります。 システムは、これらの状況に対処できる必要があります。
特に太陽光発電や熱電発電機の場合では、さらなる要件が最大電力点追従(MPPT)のサポートです。 各光起電性モジュールには、入射光だけではなく温度にも依存する特性の電流-電圧(IV)曲線があります。 その曲線により、最大の環境発電が達成可能な電圧が決定されます。 この電圧から離れることで、収集される電流が低減し、それとともにエネルギーも低減する可能性があります。

図1:光起電性ハーベスタのIV曲線。
温度は、モジュールのピーク出力効率にも影響を及ぼします。 高温により、モジュールの出力電圧の降下が引き起こされます。 結果として、ピーク効率であるはずの強い日光が当たっている間でも、PVパネルは、付随する電圧低下を電子回路が補償しない場合、変換効率の降下を受ける可能性があります。 MPPTにより、電力変換の電子機器は状態の変化を追跡し、最も適切な電圧が常に選択されていることを確保します。 幸いなことに、照光の変化による最大電力点のシフトは一般的に比較的小さいため、MPPT制御回路はIV曲線の比較的小さな部分の分析だけが必要です。
圧電ハーベスタは、異なるものの比較できる動作を示します。開回路電圧は、短絡電流にほぼ逆比例します。 環境発電向けに望ましい範囲の電圧を構築するために、圧電素子を、直列または並列に配置することができます。 一般的に、圧電ハーベスタは、開回路電圧の約半分で動作する時に最大の電力を生成します。

図2:圧電ハーベスタのIV曲線。
さらに、システムレベルの考慮事項として、採取されたエネルギーを効率的に管理し、電池が偶発的に過充電されず、エネルギーのキャプチャや蓄積に必要な処理が、蓄積できるエネルギーよりもジュール単位で高くつかないようにすることがあります。 非常に多くの場合に、電池をスーパーキャパシタと組み合わせて、信頼できないソースからの充電の問題を回避するのは理にかなっている可能性があります。
充電式電池よりも原理的に制御しやすいものの、スーパーキャパシタの低電圧は、ほとんどのシステムの電子機器に対応する電圧を達成するために、多くの場合、スーパーキャパシタが直列で配置されることを意味します。 それらが直列で配置される時、スーパーキャパシタのスタックにわたる電圧配分は当初、静電容量に依存します。 しかし、一定期間にわたって同じ電圧でそのスタックが保持される場合、電圧配分は、リーク電流の影響により、内部の並列抵抗に依存するようにシフトします。
リーク電流によって生じる電圧シフトを低減する1つの設計手法は、各スーパーキャパシタデバイスと並列に抵抗器を配置することです。 しかし、これによりエネルギー損失が増大し、これは、環境発電設計にとって望ましい特性ではありません。 アクティブスーパーキャパシタバランスは、より効率的な回答であり、Linear TechnologyのLTC3331に実装されている機能の1つです。この製品は、電池と採取されたエネルギーの組み合わせによって生じる問題に対処するように特に設計された多くのデバイスの1つです。 それらを入手できることで、ディスクリートソリューションをシステム設計者が実装する必要性を低減します。

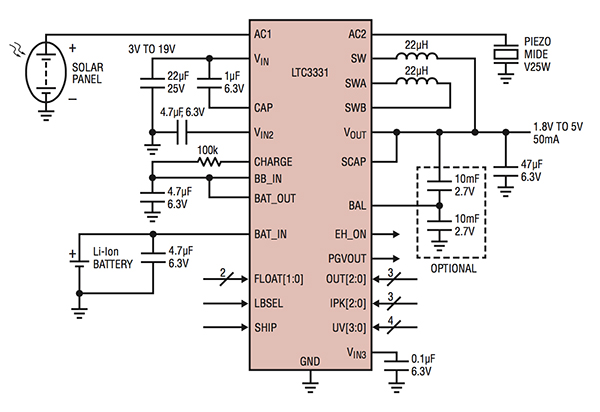
図3:右側にスーパーキャパシタバランサ接続を示した、LTC3331の標準アプリケーション。
LTC3331のアクティブスーパーキャパシタバランサは、その機能を実行するためにBALピンを使用して2つのデバイスと一緒に動作します。 LTC3331のコントローラは、最大10mAをアクティブにソースおよびシンクして、BALピンの電圧をデバイスの出力電圧の半分の値に安定化することができます。 バランサの消費電流は150nAです。 アプリケーションにとってバランスが必要とされていないか、またはエネルギーを消費しすぎる場合は、それをディスエーブルして、アクティブ時にVoutと通常接続されているSCAPとともにグランドにBALピンを接続することで、静止電流をゼロに抑えることができます。
LTC3331などの設計のコアは、標準のエネルギーハーベスタと一緒に動作するように設計されたブーストまたはバックブーストDC/DCコンバータです。 このコンバータは、ブーストコンバータがアクティブな時に制御する制御電子機器に結合されます。 また、コントローラは、MPPT計算を行うことができます。 たとえば、LTC3331は、圧電または光起電性ソースと一緒に動作し、平均消費電力は非常に低いものの、ハブまたはゲートウェイにデータを伝達する必要がある時により多くの電力が求められるワイヤレスシステムでの使用に適しています。 これはスーパーキャパシタからエネルギーを消費し、また、最後の通信からどれだけエネルギーが採取されたかに応じて、電池からエネルギーを消費する可能性があります。
LTC3331では、採取可能なエネルギーが利用できる時、そのエネルギーはブリッジ整流器を通じて伝達され、ブリッジ整流器で入力コンデンサに蓄積されます。 低静止電流で動作する不足電圧ロックアウト回路により、コンデンサの電圧は、プログラムされる閾値に向かって増加することができます。 閾値を超えると、降圧コンバータがターンオンし、エネルギーを出力レールに伝達します。 入力コンデンサの電圧が、立ち下がり閾値を下回ると(通常は、望ましくない発振を回避するために、異なるポイントで立ち上がり閾値に設定されます)、エネルギーをスーパーキャパシタに採取し続けることはできますが、降圧コンバータがターンオフし、次にバックブーストがターンオンして、電池入力から負荷をサポートします。
Analog DevicesのADP5090は、低電圧熱電および太陽源向けにブーストコンバータを提供し、最小380mVの電圧で動作します。 この製品は、バックアップ電池またはスーパーキャパシタとのインターフェースや、MPPTのサポートを提供します。

図4:左側にMPPT設定ストレージ(CBP)を示した、コンデンサ接続のADP5090アプリケーション図。
MPPT制御は、外部コンデンサの支援で維持されます。この外部コンデンサは、約19秒ごとに制御回路によってハーベスタ入力がサンプルされるため、低リーク向けに選択される必要があります。 コンデンサの電圧が降下すると、MPPTコントローラの効果が低減します。 低リークの10nF X7RまたはC0Gセラミックは、適したレベルの性能を提供します。 採取される非常に低い電圧をサポートするために、ADP5090はチャージポンプを組み込んでいるため、ブーストコンバータは非常に低い入力電圧から起動することができます。 付加的な回路は、採取される電圧が低すぎるかどうかをチェックします。もしその電圧が低すぎる場合、利用可能なエネルギーの採取を試みるためにブーストコンバータが実行されて、電池を消費し始めます。
特に低電力動作でRF電子機器がノイズに非常に敏感な可能性があるワイヤレスアプリケーション向けに、DIS_SWピンをハイにすることで、外部ソフトウェアまたはハードウェアの制御下でブーストスイッチングコンバータを一時的に停止することができます。
さらなるオプションとして、Texas Instrumentsのbq25504があります。 このデバイスは、エネルギーハーベスタによって提供される330mVの入力からのコールドスタートが可能で、動作中に最小80mVの電圧をサポートできます。 この入力は、330nAの静止電流で動作するブーストコンバータに送られます。 bq25504にはバックアップ電池への直接制御が含まれていませんが、ストレージエレメントへの損傷を防止するために、ユーザープログラム可能な不足電圧および過電圧状態に対して最大および最小電圧をモニタします。 エネルギー管理を支援するために、このデバイスは、あらかじめ設定された重要なレベルをエネルギー蓄積バッテリまたはコンデンサが下回った時に、取り付けられたマイクロプロセッサに通知するように「電池グッド」フラグを制御します。 これは、システムが不足電圧の状態に陥ることを防止するために、負荷電流制限をトリガすることを意図しています。
電池と採取された電力を組み合わせる方法を提供することで、LTC3331、ADP5090およびbq25504などのソリューションは、1回の充電で非常に長い期間にわたって持ちこたえることができるIoTセンサノードのより簡単な実装を実現します。
免責条項:このウェブサイト上で、さまざまな著者および/またはフォーラム参加者によって表明された意見、信念や視点は、DigiKeyの意見、信念および視点またはDigiKeyの公式な方針を必ずしも反映するものではありません。


